我们说到“电机控制”指的是什么?
内容简介:由于电力电子技术的进步而开拓的领域。电力电子器件的发展使得电机电源的控制非常容易,进而促进了电机控制技术的飞速发展??刂撇辉偈堑ヒ坏牡魉?,其主要被控量是转矩。
当我们说到电机控制的时到底指的是什么呢?今天在这里和大家探讨一下。
以异步电机来说,比如给你一个三相异步电机,我们能如何控制它呢?要想控制它按照你的要求工作,我们需要学习和掌握哪些知识呢?
第一步:“动起来”——启动
相信大家的第一感觉都一样,甭管后续怎么控制,先让它转起来再说。那要想让他转起来,该怎么做呢?
想到咱们电气工程专业有本“天书”叫做《电机学》。(http://vdisk.weibo.com/s/djwq4HeGfFzEJ),那里头讲过三相异步电机的知识。首要任务是接线问题,你要确定是用星形接法还是三角形接法。
上图中的U1,V1,W1表示三相电源接线端。
至于说两种解法选哪个,请考:http://www.ad.siemens.com.cn/service/answer/solution.aspx?Q_ID=74681&cid=1157
假设我们这里选用了星型接法,然后你就需要把三相电源线依次接到你的电机接线盒的三个接线端子上。为了安全和容易操作(防触电),我们在三相电源线和电机之间接上一个空气开关,这里的开关具体型号需要根据你的电机参数(电压,功率)来定。接好线后,当你把空气开关由OFF打到ON的时候,电机此时就转了起来。
第二步:“正反转”——换向
OK,电机虽然转了起来,但此时电机的正转或反转都是随机的,当你把三相电源线接好以后,电机的转向也就确定了。但是就电动机转向这个参数来说,我们此时并没有没有控制到。那我们就要想办法让它按照你的要求方向转!
还是回到《电机学》课本,我们知道:
三相交流异步电动机改变转向就是改变电机绕组的相序。具体的方法是:
1.把电源或者总空开处的三根电源线A、B、C中的任意两根对调。例如:A与B对调;或者A与C对调或者B与C对调。
2.还可以在主回路的热继电器出线端(或者启动柜端子排上),把进电机的三根线中的两根对调。
3.还可以在电机接线盒中把三根线中的两根对调。
以上介绍的方法,你可以选择一种最方便的来改动。
好的,按照第三条的方法,我们验证一下,将电机接线盒的三个接线端任意两个换一下试试效果,方法有效,可以改变方向。但是,这样的操作方式是一个手工操作的笨办法,工业实际生产过程中不可能让你停下来去改接线,那就要实现自动控制。
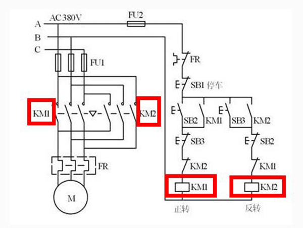
好了,有了这个目标,加上我们知道改变转向就是改变电机绕组的相序。那我们就用控制器来实现。我们电气专业还有一门可编程逻辑器件或者说类似的课程,就教过用PLC如何控制电机。其实现在大多数工厂里控制电机主要也是用PLC控制,因为PLC皮实,扛揍。那我们就用它来实现,控制原理图如下:
基本原理就是换相序,当KM1??サ惚蘸系氖焙?,电机的绕组相序是:A,B,C。当KM2??サ愕氖焙颍缁娜谱橄嘈蚴牵篊,B,A。然后在PLC的编程软件里写上两三条语句就可以实现正反转自动控制,也就不用人为去改接线了。
第三步:“快转or慢转?”——调速
解决了前面两步,接下来就要解决电机转动快慢的问题,也就是电机的调速问题。由《电机学》我们知道,三相异步电机的同步转速n_{s}=\frac{60f}{p} ,p是电机极对数。50Hz电源下,4极电机应该是1500转,2极电机是3000转。由于异步电机有转差率,电机实际速度都是小于同步转速的,如下图:
三相异步电机调速方法有很多,各自也有各自的适用场合和优缺点。
现在用的最多的是交直交变频调速。什么是交直交变频调速呢?这就得说到另一门课程《电力电子技术》了。
交流电转成直流电叫做整流,直流电变成交流电叫逆变,一般常用电压源型交直交变频器。交直交变频原理何在呢?
总之就是根据上面那个公式而来,至于这个式子怎么来的可能你还需要复习一下《电路原理》。至于说电机在额定频率以下恒转矩控制,额定频率以上恒功率控制等等这些也都是老生常谈的问题了,这里我也不多说了。目前市面上卖的三相交流电机的变频器也很多,调速已经不是问题。?
第四步: 调速进阶——大新闻
人的欲望是无限的,电机控制行业也是。变频交流调速虽然一定程度上实现了异步电机无级高效的调速,但是我们这些个同行是不满足的。一想到看看别人家的孩子怎么怎么样好,当然这里别人家的孩子指的是直流电机。就觉得不行,我们要追(模)赶(仿)它们,我们要超越他们!
我们要用高大上的自动控制理论!我们要用单片机,要用DSP!我们要用传感器!我们要仿真!我们要整流和逆变!我们要上天。。。。。!
就这样,时间悄然来到了1973年,“异步派”的代表人物德国的F.Blaschke搞了个大新闻。提出了矢量变换控制(西门子)。他参照直流电机中励磁磁?。ù呕缌鳎⒌缡啻懦。ǖ缡嗟缌鳎┛占湎嗷ゴ怪?、没有耦合、可分别控制的原理,将之迁移到异步电机上,进而实现转矩的动态(瞬时)控制机理,完成了一次逆袭。从此异步电机的地位蒸蒸日上,直流电机岌岌可危。
就这样矢量控制实现了交流电机的解耦控制,获得了如同直流机的良好静、动态调速性能,开创了交流电机高性能控制的新时代。大家欢欣雀跃。
时间匆匆流逝,在西门子靠着矢量控制统治的这十几年里,别的一些电气巨头们也都默默的憋着一口气。终于在1985年又是德国人Depenbrock搞了第二个大新闻。提出了直接转矩控制(被ABB买去专利)。也不知道广大记者同志们当时有没有跟上。。。
他将电机与逆变器作为整体考虑,采用电压空间矢量方法在定子坐标系内进行磁通、转矩的计算和控制,通过电压空间矢量PWM逆变器的开关切换实现磁链自控制和转矩自控制,获得快速的转矩响应。无需进行定子电流解耦的复杂坐标变换,直接采用电压矢量控制磁链和转矩,控制系统简单。
随话说得好,一山容不得二虎,两家的矛盾打开始就产生了,你看:
你矢量控制基于转子磁场定向,那我就基于定子磁场定向;
你矢量控制用坐标变换,那我就不用那些玩意。
你矢量控制用连续PI控制器,那我就用离散滞环控制器;
你矢量控制用。。。。。,那我就用。。。。
从此西门子和ABB在变频器这块算是杠上了。
直到今天。。。。。。
总结:
至此,可以说异步电机的控制大厦基本完成,后来者主要开始着眼于:
以前测速要传感器,现在不要传感器!
以前推导公式用模型,现在不要模型!
以前控制用PID,现在控制神经网络,模糊控制。。。。。等等
历史浪花一朵朵,而我们的电机控制也走过了从古典控制到现代控制的百年历程。最后用首歌词做结尾:
暗淡了刀光剑影;远去了鼓角铮鸣;眼前飞扬着一个个鲜活的面容;
湮没了黄尘古道;荒芜了烽火边城;岁月啊你带不走那一串串熟悉的姓名;
历史的天空闪烁几颗星;
人间一股英雄气在驰骋纵横; 《历史的天空》——毛阿敏
转载请说明来自西安泰富西玛电机(西安西玛电机集团股份有限公司)官方网站:http://www.lyshangmao.com.cn/zixun/dianjibaike146.html
以异步电机来说,比如给你一个三相异步电机,我们能如何控制它呢?要想控制它按照你的要求工作,我们需要学习和掌握哪些知识呢?
第一步:“动起来”——启动
相信大家的第一感觉都一样,甭管后续怎么控制,先让它转起来再说。那要想让他转起来,该怎么做呢?
想到咱们电气工程专业有本“天书”叫做《电机学》。(http://vdisk.weibo.com/s/djwq4HeGfFzEJ),那里头讲过三相异步电机的知识。首要任务是接线问题,你要确定是用星形接法还是三角形接法。
上图中的U1,V1,W1表示三相电源接线端。
至于说两种解法选哪个,请考:http://www.ad.siemens.com.cn/service/answer/solution.aspx?Q_ID=74681&cid=1157
假设我们这里选用了星型接法,然后你就需要把三相电源线依次接到你的电机接线盒的三个接线端子上。为了安全和容易操作(防触电),我们在三相电源线和电机之间接上一个空气开关,这里的开关具体型号需要根据你的电机参数(电压,功率)来定。接好线后,当你把空气开关由OFF打到ON的时候,电机此时就转了起来。
第二步:“正反转”——换向
OK,电机虽然转了起来,但此时电机的正转或反转都是随机的,当你把三相电源线接好以后,电机的转向也就确定了。但是就电动机转向这个参数来说,我们此时并没有没有控制到。那我们就要想办法让它按照你的要求方向转!
还是回到《电机学》课本,我们知道:
三相交流异步电动机改变转向就是改变电机绕组的相序。具体的方法是:
1.把电源或者总空开处的三根电源线A、B、C中的任意两根对调。例如:A与B对调;或者A与C对调或者B与C对调。
2.还可以在主回路的热继电器出线端(或者启动柜端子排上),把进电机的三根线中的两根对调。
3.还可以在电机接线盒中把三根线中的两根对调。
以上介绍的方法,你可以选择一种最方便的来改动。
好的,按照第三条的方法,我们验证一下,将电机接线盒的三个接线端任意两个换一下试试效果,方法有效,可以改变方向。但是,这样的操作方式是一个手工操作的笨办法,工业实际生产过程中不可能让你停下来去改接线,那就要实现自动控制。
好了,有了这个目标,加上我们知道改变转向就是改变电机绕组的相序。那我们就用控制器来实现。我们电气专业还有一门可编程逻辑器件或者说类似的课程,就教过用PLC如何控制电机。其实现在大多数工厂里控制电机主要也是用PLC控制,因为PLC皮实,扛揍。那我们就用它来实现,控制原理图如下:
基本原理就是换相序,当KM1??サ惚蘸系氖焙?,电机的绕组相序是:A,B,C。当KM2??サ愕氖焙颍缁娜谱橄嘈蚴牵篊,B,A。然后在PLC的编程软件里写上两三条语句就可以实现正反转自动控制,也就不用人为去改接线了。
第三步:“快转or慢转?”——调速
解决了前面两步,接下来就要解决电机转动快慢的问题,也就是电机的调速问题。由《电机学》我们知道,三相异步电机的同步转速n_{s}=\frac{60f}{p} ,p是电机极对数。50Hz电源下,4极电机应该是1500转,2极电机是3000转。由于异步电机有转差率,电机实际速度都是小于同步转速的,如下图:
三相异步电机调速方法有很多,各自也有各自的适用场合和优缺点。
现在用的最多的是交直交变频调速。什么是交直交变频调速呢?这就得说到另一门课程《电力电子技术》了。
交流电转成直流电叫做整流,直流电变成交流电叫逆变,一般常用电压源型交直交变频器。交直交变频原理何在呢?
总之就是根据上面那个公式而来,至于这个式子怎么来的可能你还需要复习一下《电路原理》。至于说电机在额定频率以下恒转矩控制,额定频率以上恒功率控制等等这些也都是老生常谈的问题了,这里我也不多说了。目前市面上卖的三相交流电机的变频器也很多,调速已经不是问题。?
第四步: 调速进阶——大新闻
人的欲望是无限的,电机控制行业也是。变频交流调速虽然一定程度上实现了异步电机无级高效的调速,但是我们这些个同行是不满足的。一想到看看别人家的孩子怎么怎么样好,当然这里别人家的孩子指的是直流电机。就觉得不行,我们要追(模)赶(仿)它们,我们要超越他们!
我们要用高大上的自动控制理论!我们要用单片机,要用DSP!我们要用传感器!我们要仿真!我们要整流和逆变!我们要上天。。。。。!
就这样,时间悄然来到了1973年,“异步派”的代表人物德国的F.Blaschke搞了个大新闻。提出了矢量变换控制(西门子)。他参照直流电机中励磁磁?。ù呕缌鳎⒌缡啻懦。ǖ缡嗟缌鳎┛占湎嗷ゴ怪?、没有耦合、可分别控制的原理,将之迁移到异步电机上,进而实现转矩的动态(瞬时)控制机理,完成了一次逆袭。从此异步电机的地位蒸蒸日上,直流电机岌岌可危。
就这样矢量控制实现了交流电机的解耦控制,获得了如同直流机的良好静、动态调速性能,开创了交流电机高性能控制的新时代。大家欢欣雀跃。
时间匆匆流逝,在西门子靠着矢量控制统治的这十几年里,别的一些电气巨头们也都默默的憋着一口气。终于在1985年又是德国人Depenbrock搞了第二个大新闻。提出了直接转矩控制(被ABB买去专利)。也不知道广大记者同志们当时有没有跟上。。。
他将电机与逆变器作为整体考虑,采用电压空间矢量方法在定子坐标系内进行磁通、转矩的计算和控制,通过电压空间矢量PWM逆变器的开关切换实现磁链自控制和转矩自控制,获得快速的转矩响应。无需进行定子电流解耦的复杂坐标变换,直接采用电压矢量控制磁链和转矩,控制系统简单。
随话说得好,一山容不得二虎,两家的矛盾打开始就产生了,你看:
你矢量控制基于转子磁场定向,那我就基于定子磁场定向;
你矢量控制用坐标变换,那我就不用那些玩意。
你矢量控制用连续PI控制器,那我就用离散滞环控制器;
你矢量控制用。。。。。,那我就用。。。。
从此西门子和ABB在变频器这块算是杠上了。
直到今天。。。。。。
总结:
至此,可以说异步电机的控制大厦基本完成,后来者主要开始着眼于:
以前测速要传感器,现在不要传感器!
以前推导公式用模型,现在不要模型!
以前控制用PID,现在控制神经网络,模糊控制。。。。。等等
历史浪花一朵朵,而我们的电机控制也走过了从古典控制到现代控制的百年历程。最后用首歌词做结尾:
暗淡了刀光剑影;远去了鼓角铮鸣;眼前飞扬着一个个鲜活的面容;
湮没了黄尘古道;荒芜了烽火边城;岁月啊你带不走那一串串熟悉的姓名;
历史的天空闪烁几颗星;
人间一股英雄气在驰骋纵横; 《历史的天空》——毛阿敏
转载请说明来自西安泰富西玛电机(西安西玛电机集团股份有限公司)官方网站:http://www.lyshangmao.com.cn/zixun/dianjibaike146.html
以上内容由西安泰富西玛电机(西安西玛电机集团股份有限公司)网络编辑部收集整理发布,仅为传播更多电机行业相关资讯及电机相关知识,仅供网友、用户、及广大经销商参考之用,不代表西安泰富西玛电机同意或默认以上内容的正确性和有效性。读者根据本文内容所进行的任何商业行为,西安泰富西玛电机不承担任何连带责任。如果以上内容不实或侵犯了您的知识产权,请及时与我们联系,西安泰富西玛电机网络部将及时予以修正或删除相关信息。
- 上一篇: 浅谈电机线圈用到的绝缘漆。
- 下一篇: 电机风罩的工作原理及其用途。
他们还浏览了...
- 2022-7-3电机风罩的工作原理及其用途。
- 2022-5-14高效节能电机过热原因分析
- 2022-4-17多大功率的电机才需要降压启动?
- 2022-4-10如何看懂电机的型号?
- 2022-4-10电机维修期间应考虑什么?
- 2018-3-30浅谈电机线圈用到的绝缘漆。
- 2018-3-29详解电动汽车电机与工业电机有什么区别?
- 2018-3-29电机会有“高原反应”吗?
- 2018-3-29电机的分类、原理及功率与电流对照表。
- 2018-3-26浅析伺服电机的刚性和惯量。
行业资讯
电机风罩的工作原理及其用途。
高压电机轴磨损维修的详细流程
三相异步电动机安装步骤以及西玛电机的故障检查
西玛电机接线中最常见的几种错误
绿色发展可以帮助电机厂家解决利润问题
高效节能电机过热原因分析
需要更换高效节能的电机的必要性分析!
西安西玛电机频率和速度之间的数学关系
高压电机轴磨损维修的详细流程
三相异步电动机安装步骤以及西玛电机的故障检查
西玛电机接线中最常见的几种错误
绿色发展可以帮助电机厂家解决利润问题
高效节能电机过热原因分析
需要更换高效节能的电机的必要性分析!
西安西玛电机频率和速度之间的数学关系
西安西玛电机举办“迎国庆”员工趣味运动项目比
关于西安西玛电机的工作制,大家了解一下。
西安西玛电机工会庆祝3月8日的评选颁奖活动。
西安西玛电机向在抗击疫情前线的工作人员们致敬
西安西玛电机职工安全生产知识宣传教育工作全面
西安泰富西玛电机亮相第27届中国西部国际装备
西安泰富西玛电机将高效节能三相异步电动机作为
西安西玛电机始终坚持诚信销售的理念。
关于西安西玛电机的工作制,大家了解一下。
西安西玛电机工会庆祝3月8日的评选颁奖活动。
西安西玛电机向在抗击疫情前线的工作人员们致敬
西安西玛电机职工安全生产知识宣传教育工作全面
西安泰富西玛电机亮相第27届中国西部国际装备
西安泰富西玛电机将高效节能三相异步电动机作为
西安西玛电机始终坚持诚信销售的理念。
泰富西玛电机
配套电柜
电机配件
YKK系列高压三相异步电机西安泰富西玛YKK系列(H355-1000)高压三相异步电机可作驱动
Y2系列紧凑型高压异步电机西安泰富西玛?Y2系列(H355-560)6KV紧凑型高压异步电机可
YE3系列高效节能电机西安泰富西玛电机生产的YE3系列高效节能电机达到了国标二级能效标准,
Z4系列直流电机西安泰富西玛Z4系列直流电动机比Z2、Z3系列具有更大的优越性,它不
Z2系列小型直流电机西安泰富西玛Z2系列电机为一般工业用小型直流电机,其电动机适用于恒功
ZTP型铁路机车动车用直流辅助西安泰富西玛ZTP系列西玛电机应能满足铁路机车动车用直流辅助电机通用
